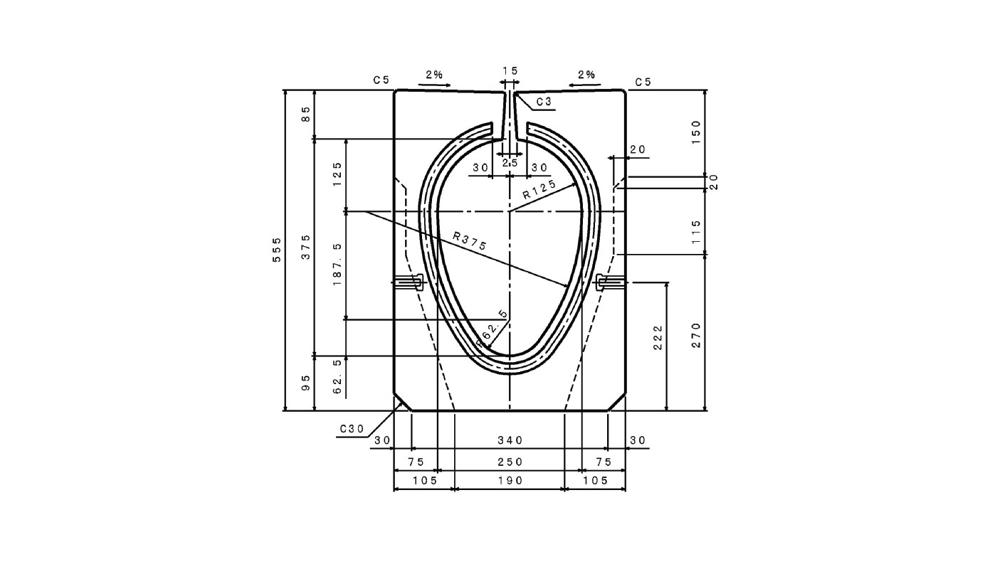
Egg Shape Drain (JPN)
Pre-Cast


After decades of success in concrete paving, we at Basant added pre cast technology to our portfolio. A few years ago, we started off with simple, small elements such as kerbs with drain hole, but today we have evolved to make bigger and more engineered products such as drains and manhole covers using the best technology sourced from Japan.
Over the years, Basant has closely worked with engineers and building firms to provide bespoke pre cast elements. We are always welcome to produce custom made elements.
Gallery


Specifications

Egg Shape Drain : 450x400x555mm
Get In Touch
If you are interested in our products or have any query, please write to us. Our representatives will get in touch with you.
close